Fin morte saison dans
00 JOURS
00 HEURES
00 MINUTES
00 SECONDES
Jusqu'à -15% en commandant maintenant vos semences de Couverts-végétaux - Fourragères !
X
 03 52 99 00 00 (non surtaxé) ou service client (réponse sous 4H)

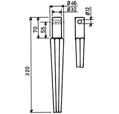
Dent pour herse rotative PEGORARO 001430.01 adaptable

Référence : 203377 Expédié par Agryco
Livraison express

Dent de herse pour PEGORARO Réf. Origine : 001430.01

Lire la suite

Modes de livraison disponibles pour ce produit

Ce produit est compatible avec

Références d'origine

001430.01

Description du produit

Dent de herse pour PEGORARO Réf. Origine : 001430.01

Type de machine
Herse rotative
Livraison EXPRESS
Oui
Convient pour
PEGORARO
Longueur (mm)
320
Droite / Gauche
Sans
Finition
Normale
Adaptable
Forgée moulée RH26
Qualité de pièce
Adaptable
Diamètre (mm)
32
Type ou matériel
RT
Diamètre trou (mm)
12
Garantie
1 an