03 52 99 00 00 (non surtaxé) ou service client (réponse sous 4H)

Soc à pointe droit 14" pour charrue KUHN 622232 origine

Référence : 213639 Expédié par Agryco

Pièces de charrue KUHN

Soc 14" HCP4 Droit pour charrue de marque KUHN/HUARD

Référence d'origine : 622232

Lire la suite

 

VOS AVANTAGES

Livraison rapide
& suivi
Satisfait
ou Remboursé
Paiement
100% sécurisé

 

Modes de livraison disponibles pour ce produit

Ce produit est compatible avec

Marques

  • KUHN

Références d'origine

622232

Description du produit

Type de machine
Charrue
Convient pour
KUHN HUARD
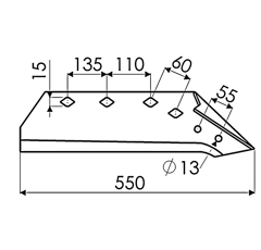
Epaisseur (mm)
12
Longueur (mm)
550
Hauteur (mm)
150
Dimensions (pouces)
14
Boulonnerie
TF2E M14x35 / (2) M12 x 34
Corps de charrue
HC4
Corps de charrue
H6
Corps de charrue
H4
Corps de labour
HB, HB PL, HC, SHC - 14
Pour matériel
Charrue
Droite / Gauche
Droite
Finition
Normale
Qualité de pièce
Origine